Direktlink
  • Conrad
  • Mein Konto

    Anmelden / Registrieren

  • Einkaufswagen

  • % Aktuelles, Sonderpreise, Aktionen – Jetzt zur Übersicht % % Aktuelles, Sonderpreise, Aktionen – Zur Übersicht
  • Service & Infos

    Vorteile & Inspiration

    • → Langzeit-Garantie

    • → Geschenkkarte

    • → Download Center

    • → Newsletter

    Wissen & Aktuelles

    • → Innovation News

    • → Ratgeber

    • → Conrad Blog

    • → Aktuelles

    • → Kataloge


  • Angebote

    Sparen & Angebote

    • → Aktionen

    • → SALE %

    • → Outlet

    Clever Einkaufen

    • → Haushaltsbedarf

    • → Refurbished

    • → Alle Gutscheine


    Marken im Fokus

    Logo zu Albrecht
    Logo zu Renkforce
    Logo zu BambuLab
    Logo zu Logitech
    Logo zu Metabo
    Logo zu Bosch Home and Garden

  • Unsere Produkte
  • Mein Konto
  • Merkliste
  • Abmelden
Conrad
  1. Start
bulkycostscartcheckbox-checkedcheckbox-uncheckedclosecomparison Folder home hook iso list Magnifier NEU picto-table tooltip warning wishlist

Ratgeber

Überspannungsschutz » Moderne Gebäudetechnik in Niederspannungsanlagen

  • Allgemeines zu Blitzstrom & Überspannungsschutz

  • Was wurde im Regelwerk angepasst?

  • Warum wurde das Regelwerk angepasst?

  • Wie wird ein SPD in die Installation integriert?

  • Welche Voraussetzungen müssen für einen funktionsfähigen Überspannungsschutz im Gebäude gegeben sein?

  • Welche Bauformen gibt es?

  • Was ist beim Betrieb einer PV-Anlage zu beachten?

Überspannungsschutz schützt z.B. bei Gewitter


Allgemeines zu Blitzstrom & Überspannungsschutz

Im Oktober 2016 sind die überarbeiteten Normen, DIN VDE 0100-443 und DIN VDE 0100-534 in Kraft getreten. Bis Dato ist diese für öffentliche Gebäude und große Gewerbeflächen vorgeschrieben, seit Inkrafttreten der aktuellen Fassung im Jahr 2010 sind auch kleine Gewerbeflächen und Wohn- & Zweckgebäuden mit diesen Vorschriften geschützt. Seit Ende der Übergangsfrist im Dezember 2018 gelten diese für jede Modernisierung, Änderung oder Erweiterung von elektrischen Anlagen und ist ausnahmslos anzuwenden. Unternehmen sind dazu verpflichtet, ihre Kunden und Bauherren durch eine Fachkraft oder den Elektroplaner über diese Änderungen zu Informieren.

Kombiableiter

DIN VDE 0100-443:2016-10

Wann ist ein Überspannungsschutz erforderlich?

  • Schutz bei Störspannungen und elektromagnetischen Störgrößen
  • Schutz bei Überspannung infolge atmosphärischer Einflüsse oder Schaltvorgänge

 

DIN VDE 0100-534:2016-10

Wo und wie wird ein Überspannungsschutz eingesetzt?

  • Errichten von Niederspannungsanlagen
  • Auswahl der elektrischen Betriebsmittel
  • Einrichtung der Schalt- und Steuergeräte


Was wurde im Regelwerk angepasst?

Mit der neuen Norm kam auch eine neue Nomenklatur. Wo man bisher von einem Überspannungs-Schutzeinrichtung, mit der Abkürzung ÜSE gesprochen hat, spricht man heute vom Surge-Protective-Device, kurz SPD.

Diese Normen behandeln seit jeher Störgrößen, die über die Netzversorgung kommen. Früher mussten die Wetterdaten der vergangenen Jahre ausgewertet werden, weil abhängig von der durchschnittlichen Anzahl der Gewittertage im Jahr, über die Notwendigkeit eines SPD entschieden. Heute ist dieser flächendeckend Vorgeschrieben damit für Einzelpersonen und Personenansammlungen ein umfangreicher Schutz gewährleistet ist. 

Dies dient dem Zweck, Bränden und Ausfällen wichtiger Systeme vorzubeugen. Dabei hat der Schutz des Menschen oberste Priorität vor dem Schutz intelligenter Gebäude und Industrie 4.0 Anlagen.

 

Störgrößen
 BlitzentladungInduzierte Spannungen

Ferneinschlag in Freileitung

Naheinschlag in Daten-/VersorgungsleitungDirekteinschlag in GebäudeAtmosphärische SpannungsentladungSchalthandlung in Versorgungsnetzen
Überschreitung der SpannungsfestigkeitEinkopplung des Blitzstromes in die AnlagePotentialanhebung metallener TeileÜbertragungsfehler im Frequenzbereich der EDV, Mess-, Steuer- und Regelungstechnik


Warum wurde das Regelwerk angepasst?

Die Veränderung des Klimas in Verbindung mit der dezentralen Versorgung aus regenerativen Energien mache die strengen Vorgaben notwendig, um sensible technische Komponenten, sicher vor Störungen zu schützen. Eine kontinuierliche Verfügbarkeit der vernetzten Gebäudetechnik zur Kommunikation und Produktion soll gewährleistet sein.

Die stetig wachsende Technologisierung beispielsweise mit Smart Home, regenerativer Energie oder E-Mobility, machen es notwendig, hohe Lastströme, induktive- und kapazitive Lasten zu schalten. Diese Störgrößen können beispielsweise durch das Schalten von Klimaanlagen, Durchlauferhitzern, Umrichter zur Einspeisung von Photovoltaik-Anlagen, und vielem mehr, entstehen. 

2 Millionen Blitze jährlich verursachen in einem Schadensradius von zwei Kilometern einen Schaden von knapp einer halben Milliarde Euro. Das Risiko durch diese Gefährdung für Mensch und Maschine soll durch das Regelwerk minimiert werden.



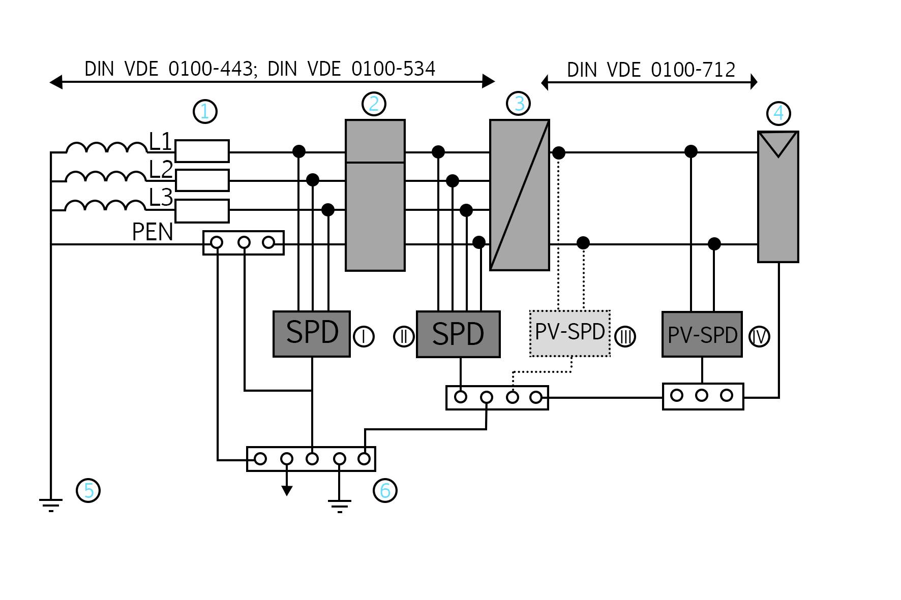
Wie wird ein SPD in die Installation integriert?

Um eine sichere Funktion von Systemen in der Informationstechnik zu gewährleisten, wird als Schutzkonzept der Einsatz von Überspannungsschutzeinrichtungen empfohlen.

Diese werden in die folgenden 3 Typen unterteilt:

Da die Typen 1 und 2 häufig in einer Verteilung sitzen, gibt es diese auch als Kombinationseinheit.

Dabei sollte darauf geachtet werden, dass bei diesen Typen die Leitungslänge zwischen Einspeisung und Ableitung von 50 cm nicht überschritten wird. 

SPDs-Typ 3 und Endgeräte sollten einen Schutzradius von 10 m zum SPD-Typ 2 nicht überschreiten.

SPD Integration

1. Einbauort 1: Anlagenseitiger (oberer) Anschlussraum nach dem Zähler
2. Einbauort 2: Unterverteilung
3. Einbauort 3: Unmittelbar vor dem Endgerät, z.B. in oder an der Steckdose
4. Endgerät

Schutzgeräte
Ableiter TypSchutzmaßnahmeFunktionInstallationsortÜberspannungsbegrenzung
Typ 1Blitzstrom-Ableiter GrobschutzSchutz gegen Eindringen von Blitzströmen

Hauptverteilung nach Hausanschluss

U ≤ 6 kV
Typ 2Überspannungs-Ableiter MittelschutzSchutz gegen Überspannung aller aktiven Leiter und PE

Haupt – oder Unterverteilung

U ≤ 4 kV
Typ 3Geräteschutz FeinschutzGeräteschutz

Steckdose, Geräteanschluss

U ≤ 1,5 kV


Welche Voraussetzungen müssen für einen funktionsfähigen Überspannungsschutz im Gebäude gegeben sein?

Die meisten Gebäude verfügen über eine Erdungsanlage nach DIN 18014, mit der die Gebäudeinstallation über einen Fundament-, Ring-, oder Stab-Erder geerdet ist. Über diesen wird der äußere Blitzschutz direkt abgeleitet.

Die in den Verteilerkästen auf der Erdungsschienen zusammengeführten Schutzleiter sind mit der Gebäude-Erdung verbunden.

Bei einem Überspannungsschutz werden die Überspannungen über den Schutzleiterdraht mit dem Potential Erde verbunden.



Welche Bauformen gibt es?

Diese Systeme erhält man in unterschiedlichen Bauformen für Hutschienen, Unterputzdosen, Wandbefestigung oder zur Integration in eine Leitung. Diese richten sich in ihrer Form, nach der zu schützenden Anlage und dem entsprechenden Einsatzort.

Pos.BauformSchutz
1HutschienenHausanschluss
2WandmontageKommunikationsschnittstellen
3Hutschiene

Versorgung Wärmegewinnung

4HutschieneSensorleitung
5Wandmontage

Gebäude Infrastruktur

6Hutschiene

Energieversorgung Etagen

7Hutschiene

Versorgung Sicherheitssystem

8Wandmontage

KNX / EIB Systeme

9HutschieneSignalleitung
10HutschieneSignalanzeige
11

Schutzkontakt Einschub

Netzfilter Endgerät
12

Schutzkontakt Einschub

Rundfunk-Endgerät Koaxial

13

Schutzkontakt Einschub

IT-Endgerät RJ 45 Netzwerk

14BNC-VerbindungVideoaufzeichnung
15Drahtverbindung

Installation Endgeräteebene

16

Wand/Hutschiene

Telefonsysteme


Was ist beim Betrieb einer PV-Anlage zu beachten?

Um den sicheren Betrieb und eine kontinuierliche Energiegewinnung der Photovoltaikanlage zu gewährleisten, muss ein besonderes Schutzkonzept angewendet werden.

Es muss nicht nur sicher gegen direkte Blitzeinschläge sein, sondern auch gegen indirekte. Der zur Einspeisung ins AC-Netz notwendige Wechselrichter muss vor Überspannungen generatorseitig geschützt sein.

Die Leitungslänge zwischen SPD und Wechselrichter darf dabei 10 Meter nicht überschreiten.

Auch auf der DC-Seite sind Schutzmaßnahmen notwendig. Signal- und Kommunikationskreise benötigen ebenfalls einen entsprechenden Überspannungs-Schutz.

Betrieb der PV-anlage

1) Überstromschutzeinrichtung  |  2) Zähler  |  3) Wechselrichter  |  4) PV-Generator  |  5) Zu Blitzschutzanlage LPS nach VDE 0185  |  6) Haupterdungsschiene/-klemme
* III. wenn notwendig nach Abschnitt 5.4

FallMindestquerschnitt PotentialausgleichSPD-
Einbauort I
SPD-
Einbauort II
SPD-
Einbauort III & IV
1. Anlage ohne äußerer Blitzschutzanlage6 mm²Typ 2Typ 2Typ 2
2. Anlage mit äußerer Blitzschutzanlage6 mm²Typ 1Typ 2Typ 2
3. Anlage mit unzureichendem Abstand zur Blitzschutzanlage16 mm²Typ 1Typ 1Typ 1

Fall 1: 

Überspannungsschutzkonzept Fall1

1. Zähler-Hauptverteilung / 2. SPD Typ 2 wenn notwendig
 

Überspannungsschutzkonzept für eine Photovoltaikanlage auf einem Gebäude ohne äußeren Blitzschutz.


Fall 2: 

Überspannungsschutzkonzept Fall2

1. Zähler-Hauptverteilung / 2. SPD Typ 2
s: Trennungsabstand nach DIN VDE 0185

Überspannungsschutzkonzept für eine Photovoltaikanlage auf einem Gebäude mit äußerem Blitzschutz. Der Trennungsabstand S von den Modulen zum Blitzableiter wird eingehalten.


Fall 3: 

Überspannungsschutzkonzept Fall3

1. Zähler-Hauptverteilung / 2. SPD Typ 1 
<s: Trennungsabstand ist nicht eingehalten

Überspannungsschutzkonzept für eine Photovoltaikanlage auf einem Gebäude mit äußerem Blitzschutz, aber unzureichendem Abstand zur Blitzschutzanlage. Die metallenen Montagegestelle werden mit dem äußeren Blitzschutz verbunden und zu Potential Erde geführt.

  • Kostenlose Lieferung ab € 69.–

  • Über 1,5 Millionen Produkte

  • Über 6.000 Marken

  • Newsletter abonnieren

Services

Services

  • Angebotsservice

  • SourcingPlus

  • Garantie und Reparatur

  • Geschenkkarte

  • Project Business

  • E-Procurement

  • ProcurePlus

  • Alle Services


Über Conrad

Über Conrad

  • Unternehmen

  • Conrad Marken

  • Pressemitteilungen

  • Qualität

  • Nachhaltigkeit

  • Rechtliches

  • Vulnerability Disclosure Program

  • Karriere


Conrad erleben

Conrad erleben

  • Innovation News

  • Kataloge

  • Branchenlösungen

  • Ratgeber

  • Blog

  • Markenshop


Für Bildungseinrichtungen

Für Bildungseinrichtungen

  • Alles für Ihre Bildungseinrichtung


Aktuelle Angebote

Aktuelle Angebote

  • ★ Zur Übersicht

  • 🎁 Geschenkideen

  • % Technik-SALE

  • % Conrad Outlet

  • % Alle Conrad Gutscheine

  • Monatsempfehlungen


Hilfe

Hilfe

  • FAQ-Hilfecenter

  • Kontakformular


Newsletter abonnieren

Zum Newsletter anmelden und Gutschein sichern! (Diese Einwilligung kann jederzeit widerrufen werden.)

Zum Newsletter anmelden und immer up-to-date bleiben! (Diese Einwilligung kann jederzeit widerrufen werden.)

Bitte geben Sie eine gültige E-Mail-Adresse ein!

Zahlarten
  • Zahlungsart Rechnung
  • Zahlungsart PayPal
  • Zahlungsart Kreditkarte
  • Zahlungsart Bankeinzug
Alle Zahlarten
Social Media
Kontakt

FAQ - Hilfeseiten

Tel.: 050 20 40 40

Mo. - Do.: 08:00 - 17:00 Uhr
Fr.: 08:00 - 14:00 Uhr
(außer an gesetzlichen Feiertagen)

Kontakt

FAQ - Hilfeseiten
Kontaktformular

*Alle Preisangaben sind exkl. MwSt. und zzgl. Versandkosten.

*Alle Preisangaben sind inkl. MwSt. und zzgl. Versandkosten.

     

  • Datenschutz

  • Sichere Zahlungsmittel

  • SSL-Verschlüsselung

  • Verified by Visa & Mastercard Secure Code

  • Goldfarbenes Gütesiegel mit der Aufschrift „Trustmark Austria“ und dem Logo des Handelsverbands.
  • Sieben Qualitäts- und Vertrauenssiegel für E-Commerce und Handel, darunter österreichische und europäische Zertifikate.
  • Grünes Logo in Briefmarkenform mit Blatt und Posthorn, Text „CO₂ neutral zugestellt – CO₂-frei bis 2030“, symbolisiert klimafreundliche Postzustellung.
  • AGB

  • Impressum

  • Datenschutz

  • Widerruf

Produktvergleich
Merkliste