Direktlink
  • Conrad
  • Mein Konto

    Anmelden / Registrieren

  • Einkaufswagen

  • Aktuelle Angebote, Aktionen & Top-Deals – Jetzt entdecken → Aktuelle Angebote, Deals & Aktionen →
  • Service & Infos

    Vorteile & Inspiration

    • → Langzeit-Garantie

    • → Geschenkkarte

    • → Download Center

    • → Newsletter

    Wissen & Aktuelles

    • → Innovation News

    • → Ratgeber

    • → Conrad Blog

    • → Aktuelles

    • → Kataloge


  • Angebote

    Sparen & Angebote

    • → Aktionen

    • → SALE %

    • → Outlet

    Clever Einkaufen

    • → Haushaltsbedarf

    • → Refurbished

    • → Alle Gutscheine


    Marken im Fokus

    Logo zu Sony
    Logo zu Philips
    Logo zu Apple
    Logo zu Makita
    Logo zu Samsung
    Logo zu VOLTCRAFT

  • Unsere Produkte
  • Mein Konto
  • Merkliste
  • Abmelden
Conrad
  1. Start
bulkycostscartcheckbox-checkedcheckbox-uncheckedclosecomparison Folder home hook iso list Magnifier NEU picto-table star tooltip warning wishlist

Ratgeber

Optokoppler-Relais

  • Was ist ein Optokoppler?

  • Wie funktioniert ein Optokoppler?

  • Der Steuerstromkreis

  • Der Laststromkreis

  • Die Schaltverstärkung

  • Wo werden Optokoppler eingesetzt?



Was ist ein Optokoppler?

Optokoppler werden zur Steuerung von Schaltungen verwendet. Es sind elektronische Bauteile mit zwei integrierten Schaltkreisen. Dem Steuerstromkreis und dem Laststromkreis.

Der Vorteil von Optokopplern ist die galvanische Trennung der Schaltkreise voneinander. Es kann mit einem niedrigen Strom eine hohe Leistung geschaltet werden. Optokoppler Relais verfügen im Gegensatz zu elektromechanischen Relais über keine mechanischen Verschleißteile. Dadurch bieten sie eine hohe Lebensdauer.

Im Steuerstromkreis (3) wird der Schaltvorgang über das optische Signal einer LED (1) ausgelöst. Dieses Lichtsignal wird im Laststromkreis (4) über einen fotosensitiven Halbleiter (2) empfangen, welcher das Schließen des Stromkreises bewirkt. Sowohl die LED zum Senden als auch der Empfänger, beispielsweise ein Fototransistor sind in einem lichtleitenden Kunststoff eingebettet und von einer lichtundurchlässigen Hülle umgeben. Diese schützt das Bauteil vor optischen Einflüssen von außen.

Sender-Empfänger Prinzip

Die Bauformen kann man grundsätzlich in zwei Kategorien einteilen:

  1. Face to Face Design bei dem die Sender LED (1) gegenüber des Empfänger Transistors (2) liegt. Dabei gibt es eine direkte optische Verbindung der Bauteile. Der Sender strahlt den Empfänger direkt an.

  2. Coplanar Design bei dem die Sender LED mit dem Empfänger Transistor auf einer Ebene liegt. Dabei gibt es eine indirekte optische Verbindung der Bauteile. Der Sender strahlt den Empfänger über Reflexion innerhalb des Bauteils indirekt an.
Bauformen Optokoppler

Optokoppler-Baustein

Die Sensitivität des Halbleitermaterials schränkt die Spannung, welche am Ausgang des Optokopplers anliegt, ein. Wenn die Strom- oder Spannungswerte innerhalb der im Datenblatt ersichtlichen Parameter liegen, kann der Optokoppler als Baustein direkt in der Schaltung eingesetzt werden.

Optokoppler Baustein

1. Steuerstromkreis / 2. Optokoppler / 3. Laststromkreis


Solid-State-Relais

Sollte das Schalten von höheren Strömen benötigt werden, ist eine Anpassung des Leistungsniveaus zwischen Foto-Transistor und Laststromkreis vorzunehmen.
Optokoppler mit integrierter Schaltverstärkung werden auch als Solid State Relais (SSR) bezeichnet.

Solid-State-Relais

1. Steuerstromkreis / 2. Optokoppler / 3. Laststromkreis / 4. Schaltverstärkung

Ob ein Solid State Relais oder ein elektromechanisches Relais für den Einsatz besser geeignet ist, kann anhand der folgenden Tabelle abgewogen werden.

Solid State Relais (SSR)Elektromechanisches Relais (EMR)
Hohe Zuverlässigkeit und lange Lebensdauer durch verschleißfreien AufbauSchalten von Lasten im Gleichstrom- und Wechselstrom-Betrieb möglich
Geringer Bauraum notwendigDer Laststromkreis ist frei von Leckströmen
Geringe Steuerleistung durch LED-TechnikGeringer Spannungsabfall im Laststromkreis
Hohe Schaltfrequenzen möglichKeine Verlustleistung beispielsweise durch thermische Energie
Kein KontaktprellenSchalten von mehreren Laststromkreisen möglich
GeräuschfreiUnempfindlich gegen Transienten (Spannungsspitzen)
Unempfindlich gegen dynamische Bewegungen 
Keine Beeinträchtigung benachbarter Bauteile durch elektromagnetische Strahlung 


Wie funktioniert ein Optokoppler?

Die Haupteigenschaften von Optokoppler Relais sind die Potentialtrennung, die Signalanpassung und die Schaltverstärkung.

Die Potentialtrennung

Bei der Anwendung ist es häufig erforderlich, den Steuerstromkreis vom Laststromkreis galvanisch zu trennen.

Dies wird zum Schutz der Steuerung durch Störströme wie beispielsweise Erd- oder Masseschleifen oder Störimpulse beispielsweise durch induktive Einflüsse von Transienten empfohlen.

Der Steuerstromkreis ist vom Laststromkreis isoliert und räumlich getrennt. Die Bauteile müssen einer Isolationsprüfung mit mindestens 2,5 kV Standhalten. Um dies zu realisieren, ist eine Trennung der Luft- und Kriechstrecken von mindestens 3 Millimetern innerhalb des Bauteils erforderlich.

Potentialtrennung

Die Signalanpassung

Die galvanische Trennung schafft die Möglichkeit, den Steuerstromkreis mit einer anderen Leistung zu beschalten, als den Laststromkreis.

So kann beispielsweise die LED mit einer hohen Spannung betrieben werden, der Transistor jedoch mit einer niedrigen Spannung.

Steuerungen und Sensoren können so mit unterschiedlichen Potentialen untereinander abgeglichen werden.

Optokoppler Signalanpassung

Die Schaltverstärkung

Optokoppler können mittels einer Hilfsschaltung auch mit Strom oder Spannungswerten betrieben werden, die über die Belastbarkeit des Fototransistors hinaus gehen. Dies ist möglich, indem auf der Lastseite des Optokopplers eine Hilfsschaltung zur Verstärkung angebracht wird. Dazu wird der Basisstrom des Fototransistors, welcher über die LED aktiviert wird, über einen angemessenen zweiten Halbleiter beispielsweise einen Transistor oder Thyristor geführt, wodurch die Schaltung für den hohen Laststrom durchlässig wird.



Der Steuerstromkreis

Die Eingangsschaltung

Bei industriellen Anwendungen ist es typischeweise der Fall, dass Optokoppler eine Spannungsanpassung über Vorwiderstände und Kondensatoren benötigen.

Dabei ist es möglich einen Schmitt Trigger einzusetzen, welcher eine eindeutige Zustandszuweisung entweder 1 oder 0 erzeugt und diesen an den Optokoppler weitergibt.

Viele Optokoppler-Relais bieten darüber hinaus einen Schutz des Steuerstromkreises gegen Störimpulse mittels Varistoren und Dioden.

Eingangsschaltung

1. Steuerstromkreis / 2. Schutzschaltung / 3. Spannungsanpassung / 4. Hilfsschaltung


Der DC Eingang

DC-Eingang

Zum Schutz des Optokopplers ist eine Diode im Strompfad eingebracht. Diese sorgt dafür, dass die Bauteile im Fall einer Verpolung geschützt sind.

Darüber hinaus wird der Schaltzustand des Steuerstromkreises durch eine Status LED signalisiert.


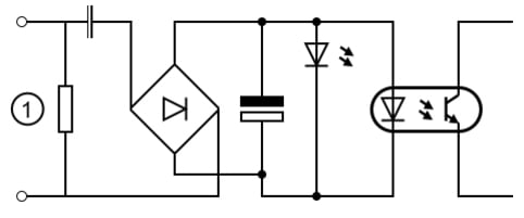
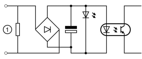
Der AC / DC Eingang

AC/DC-Eingang

Zum Verarbeiten einer AC Steuerspannung wird ein Gleichrichter mit Glättungskondensator vorgeschaltet. Wie auch beim DC Eingang wird der Schaltzustand durch eine Status LED signalisiert. Der Schutz vor Verpolung bei Gleichspannungen ist dabei nicht nötig. Bedingt durch den Glättungskondensator liegt die Schaltfrequenz bei AC Steuersignalen unterhalb der halben Netzfrequenz. Die Folge einer höheren Frequenz des Netzes ist ein ständiges Schalten im Rhythmus der Netzfrequenz.


Der AC Eingang

AC-Eingang

Grundsätzlich entspricht der Schaltungsaufbau dem der AC/DC Schaltung. Beim reinen AC Betrieb können statt Vorwiderstände auch Kondensatoren zur Spannungsanpassung verwendet werden.

Diese produzieren im Gegensatz zu Widerständen keine Verlustleistung in Form von thermischer Energie.



Der Laststromkreis

Die Ausgangsschaltung

Ausgangsschaltung

1. Laststromkreis / 2. Anpassungsschaltung /
3. Schaltverstärkung /4. Schutzschaltung

Die Optokopplerrelais sind in der Regel in einem Spannungsbereich von beispielsweise zwischen 5 V DC und 48 V DC angegeben. Dieser sollte beim Einsatz unbedingt beachtet werden. Das Überschreiten dieses Wertes kann zu einem vorzeitigen Ausfall des Halbleiters durch Verschleiß oder Zerstörung führen.

Eine direkte Abhängigkeit zwischen Strom und Umgebungstemperatur kann aus der Strombelastbarkeitskurve (Derating Kurve) der Optokoppler abgelesen werden.

Schutzvorrichtungen wie Dioden oder Varistoren können Überspannungen ableiten. Darüber hinaus gibt es Bausteine mit einem Power Boost. Diese können Schäden durch Stromspitzen, die bei Schaltimpulsen entstehen können, vermeiden. Ob in der Ausgangsschaltung AC oder DC Lasten angeschlossen werden können, ist abhängig von dem entsprechenden Verstärker Halbleitern.


Die DC Ausgänge

2-Leiter DC-Ausgang

Der 2 Leiter DC Ausgang kann als herkömmlicher Schalterkontakt angesehen werden. Auf die Polarität der Anschlussklemmen ist aber zu achten.

3-Leiter DC-Ausgang

Der 3 Leiter DC Ausgang verfügt über eine Spannungsversorgung und eine Schaltleitung als Ausgang. Diese wird zur Verstärkung über einen Transistor geführt.


Der AC Ausgang

AC-Ausgang

Zur Steuerung von Schaltungen mit Wechselspannung wird dem Optokoppler ein Triac oder Thyristor nachgeschaltet.



Die Schaltverstärkung

Die Belastbarkeit des Fototransistors mit Strom und Spannung ist innerhalb des Optokopplers mit geringen Werten machbar.

Für größere Ausgangslasten besteht jedoch die Möglichkeit diese über zusätzliche Halbleiterelemente bis auf die entsprechende Nennspannung beziehungsweise den Nennstrom zu steuern.

Schaltverstärkung

1. Transistor / 2. MOSFET / 3. TRIAC

Der bipolare Transistor

Der bipolare Transistor eignet sich für DC Anwendungen mit Strömen bis 0,5 Ampere.

Er bietet durch kurze Ansprechzeiten die Möglichkeit in hohen Frequenzen zu schalten.
 

Der MOFSET

Der MOFSET eignet sich für DC Anwendungen mit Strömen bis 10 Ampere.

Durch den geringen Übergangswiderstand erzeugt er lediglich sehr geringe Leckströme unter 10 Mikroampere mit einer geringen Verlustleistung.

Der Triac

Der Triac eignet sich für AC Anwendungen mit der Funktion zweier antiparallel geschalteter Thyristoren in einer Einheit. Die Funktion des Thyristors kann man sich als eine Diode für eine Richtung vorstellen. Daher wird für Wechselströme die entgegengesetzte Schaltung zweier Thyristoren zu einem Triac verwendet.



Wo werden Optokoppler eingesetzt?

Die Hauptmerkmale, bei denen sich Optokoppler im Gegensatz zu elektromagnetischen Relais hervorheben sind die Robustheit gegenüber dynamischen Bewegungen, die hohe Lebensdauer durch Verschleißfreiheit und die hohen Schaltfrequenzen durch die optische Signalübertragung.

Damit der Optokoppler genutzt werden kann, sind zusätzlich Schaltungen auf der Last- und Steuerseite notwendig. Optokopplerrelais sind typischerweise auf gewisse Anwendungen ausgelegt.

Standardanwendung

Für viele Anwendungen genügt die Potentialtrennung und die Signalanpassung ohne Schaltverstärkung. Bei Anwendungen mit ohmschem, leicht induktivem oder kapazitivem Lastverhalten bietet eine integrierte Schutzbeschaltung einen ausreichenden Schutz. Bei rein induktiver, kapazitiver oder ähnlicher Last wie beispielsweise bei Magnetspulen oder Glühlampen ist auf eine ausreichende Dimensionierung der Schutzvorrichtung zu achten.


Hohe Schaltfrequenzen

Durch die optische Übertragung der Signale, sind mit einem Optokoppler Relais hohe Schaltfrequenzen möglich. Spezielle Optokoppler können aufgrund ihrer Innenbeschaltung Signale mit hohen Frequenzen bis beispielsweise 100 Kilohertz entkoppelt voneinander und verzögerungsfrei übertragen.

Drehzahlmessung Optokopplerrelais

Abbildung: Drehzahlmessung

1. Stromversorgung / 2. Steuerung / 3. Sensor


Spezialanwendungen

Neben den Standartanwendungen gibt es auch Optokoppler für spezielle Anwendungsfälle, z.B. zum Schalten von induktiven Lasten in Magnetventilen oder Schützen. Diese sind als Schaltverstärker für Aktoren mit Lasten z.B. bis 24 Volt DC bei 2 Ampere ausgelegt. Darüber hinaus verfügen sie über einen 3-Leiter-Anschluss, mit dem die Bauteile direkt verbunden werden können. Eine entsprechende Schutzbeschaltung sorgt für die Kurzschlussfestigkeit und fängt Spannungsspitzen ab.

Magnetventil

Abbildung: Magnetventil

1. Stromversorgung / 2. Steuerung / 3. Ventil

Spezielle Optokoppler Relais sind auch als Schaltverstärker für hohe induktive Lasten für beispielsweise Motorbremsen oder Schütze bis 300 Volt AC und 1 Ampere verfügbar.

Diese sind zusätzlich mit einem Schutz zur Kompensation kurzzeitiger Überlasten, beispielsweise Ein- oder Ausschaltspitzen wie 20 Ampere für 20 Millisekunden oder 5 Ampere für 1 Sekunde, ausgestattet.

Optokopplerrelais Motorbremse

Abbildung: Motorbremse

1. Stromversorgung / 2. Steuerung

  • Kostenlose Lieferung ab € 69.–

  • Über 1.5 Millionen Produkte

  • Über 6'000 Marken

  • Newsletter abonnieren

Services

Services

  • Angebotsservice

  • SourcingPlus

  • Garantie und Reparatur

  • Geschenkkarte

  • Project Business

  • Business PLUS+

  • E-Procurement

  • ProcurePlus

  • Alle Services


Über Conrad

Über Conrad

  • Unternehmen

  • Conrad Marken

  • Pressemitteilungen

  • Qualität

  • Nachhaltigkeit

  • Rechtliches

  • Vulnerability Disclosure Program

  • Karriere


Conrad erleben

Conrad erleben

  • Innovation News

  • Kataloge

  • Branchenlösungen

  • Ratgeber

  • Blog

  • Markenshop


Für Bildungseinrichtungen

Für Bildungseinrichtungen

  • Alles für Ihre Bildungseinrichtung


Aktuelle Angebote

Aktuelle Angebote

  • ★ Zur Übersicht

  • 🎁 Geschenkideen

  • % Technik-SALE

  • % Conrad Outlet

  • % Alle Conrad Gutscheine

  • Monatsempfehlungen


Hilfe

Hilfe

  • FAQ-Hilfecenter

  • Kontakformular


Newsletter abonnieren

Zum Newsletter anmelden und Gutschein sichern! (Diese Einwilligung kann jederzeit widerrufen werden.)

Zum Newsletter anmelden und immer up-to-date bleiben! (Diese Einwilligung kann jederzeit widerrufen werden.)

Bitte geben Sie eine gültige E-Mail-Adresse ein!

Zahlarten
  • Zahlungsart Rechnung
  • Zahlungsart PayPal
  • Zahlungsart Kreditkarte
  • Zahlungsart Bankeinzug
Alle Zahlarten
Social Media
Kontakt

FAQ - Hilfeseiten

Tel.: 050 20 40 40

Mo. - Do.: 08:00 - 16:00 Uhr
Fr.: 08:00 - 13:00 Uhr
(außer an gesetzlichen Feiertagen)

Kontakt

FAQ - Hilfeseiten
Kontaktformular

*Alle Preisangaben sind exkl. MwSt. und zzgl. Versandkosten.

*Alle Preisangaben sind inkl. MwSt. und zzgl. Versandkosten.

  • Datenschutz

  • Sichere Zahlungsmittel

  • SSL-Verschlüsselung

  • Verified by Visa & Mastercard Secure Code

  • Goldfarbenes Gütesiegel mit der Aufschrift „Trustmark Austria“ und dem Logo des Handelsverbands.
  • Sieben Qualitäts- und Vertrauenssiegel für E-Commerce und Handel, darunter österreichische und europäische Zertifikate.
  • Grünes Logo in Briefmarkenform mit Blatt und Posthorn, Text „CO₂ neutral zugestellt – CO₂-frei bis 2030“, symbolisiert klimafreundliche Postzustellung.
  • AGB

  • Impressum

  • Datenschutz

  • Widerruf

Produktvergleich
Merkliste