Direktlink
  • Conrad
  • Mein Konto

    Anmelden / Registrieren

  • Einkaufswagen

  • Aktuelle Angebote, Aktionen & Top-Deals – Jetzt entdecken → Aktuelle Angebote, Deals & Aktionen →
  • Service & Infos

    Vorteile & Inspiration

    • → Langzeit-Garantie

    • → Geschenkkarte

    • → Download Center

    • → Newsletter

    Wissen & Aktuelles

    • → Innovation News

    • → Ratgeber

    • → Conrad Blog

    • → Aktuelles

    • → Kataloge


  • Angebote

    Sparen & Angebote

    • → Aktionen

    • → SALE %

    • → Outlet

    Clever Einkaufen

    • → Haushaltsbedarf

    • → Refurbished

    • → Alle Gutscheine


    Marken im Fokus

    Logo zu TOOLCRAFT
    Logo zu Albrecht
    Logo zu Einhell
    Logo zu Bosch Home and Garden
    Logo zu dyson
    Logo zu Samsung

  • Unsere Produkte
  • Mein Konto
  • Merkliste
  • Abmelden
Conrad
Start
Gebäudetechnik & Smart Living Elektroinstallation Verteilerschrank-Technik Überspannungsschutz

Phoenix Contact 2906738 TTC-6P-1X2-M-24DC-UT-I Überspannungsschutz-Ableiter 1 St.

EAN:
Hst.-Teile-Nr.:
Bestell-Nr.:
'Elektrische Klemmenblock-Bauteile in Grau und Weiß mit Herstellerinformationen und QR-Codes, geeignet für 24V DC-Anwendungen.'
'Elektrische Klemmenblock-Bauteile in Grau und Weiß mit Herstellerinformationen und QR-Codes, geeignet für 24V DC-Anwendungen.'
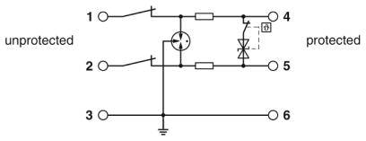
'Elektroschaltplan für Schutzschaltung mit Zener-Diode. Punkte 1-3 ungeschützt, Punkte 4-6 geschützt. Widerstände und Dioden integriert.'
1/2
Phoenix Contact
 

23 Stück
Verkauf und Versand:
Conrad Electronic Widerruf

Anzahl

Gesamt
€ 133,33
-34 %
€
Rechtliche Bedenken melden
  • Kostenlose Lieferung ab € 69.–

  • Über 1,5 Millionen Produkte

  • Über 6.000 Marken

  • Newsletter abonnieren

Services

Services

  • Angebotsservice

  • SourcingPlus

  • Garantie und Reparatur

  • Geschenkkarte

  • Project Business

  • E-Procurement

  • ProcurePlus

  • Alle Services


Über Conrad

Über Conrad

  • Unternehmen

  • Conrad Marken

  • Pressemitteilungen

  • Qualität

  • Nachhaltigkeit

  • Rechtliches

  • Vulnerability Disclosure Program

  • Karriere


Conrad erleben

Conrad erleben

  • Innovation News

  • Kataloge

  • Branchenlösungen

  • Ratgeber

  • Blog

  • Markenshop


Für Bildungseinrichtungen

Für Bildungseinrichtungen

  • Alles für Ihre Bildungseinrichtung


Aktuelle Angebote

Aktuelle Angebote

  • ★ Zur Übersicht

  • 🎁 Geschenkideen

  • % Technik-SALE

  • % Conrad Outlet

  • % Alle Conrad Gutscheine

  • Monatsempfehlungen


Hilfe

Hilfe

  • FAQ-Hilfecenter

  • Kontakformular


Newsletter abonnieren

Zum Newsletter anmelden und Gutschein sichern! (Diese Einwilligung kann jederzeit widerrufen werden.)

Zum Newsletter anmelden und immer up-to-date bleiben! (Diese Einwilligung kann jederzeit widerrufen werden.)

Bitte geben Sie eine gültige E-Mail-Adresse ein!

Zahlarten
  • Zahlungsart Rechnung
  • Zahlungsart PayPal
  • Zahlungsart Kreditkarte
  • Zahlungsart Bankeinzug
Alle Zahlarten
Social Media
Kontakt

FAQ - Hilfeseiten

Tel.: 050 20 40 40

Mo. - Do.: 08:00 - 17:00 Uhr
Fr.: 08:00 - 14:00 Uhr
(außer an gesetzlichen Feiertagen)

Kontakt

FAQ - Hilfeseiten
Kontaktformular

*Alle Preisangaben sind exkl. MwSt. und zzgl. Versandkosten.

*Alle Preisangaben sind inkl. MwSt. und zzgl. Versandkosten.

     

  • Datenschutz

  • Sichere Zahlungsmittel

  • SSL-Verschlüsselung

  • Verified by Visa & Mastercard Secure Code

  • Goldfarbenes Gütesiegel mit der Aufschrift „Trustmark Austria“ und dem Logo des Handelsverbands.
  • Sieben Qualitäts- und Vertrauenssiegel für E-Commerce und Handel, darunter österreichische und europäische Zertifikate.
  • Grünes Logo in Briefmarkenform mit Blatt und Posthorn, Text „CO₂ neutral zugestellt – CO₂-frei bis 2030“, symbolisiert klimafreundliche Postzustellung.
  • AGB

  • Impressum

  • Datenschutz

  • Widerruf

Produktvergleich
Merkliste