Direktlink
  • Conrad
  • Mein Konto

    Anmelden / Registrieren

  • Einkaufswagen

  • Aktuelle Angebote, Aktionen & Top-Deals – Jetzt entdecken → Aktuelle Angebote, Deals & Aktionen →
  • Service & Infos

    Vorteile & Inspiration

    • → Langzeit-Garantie

    • → Geschenkkarte

    • → Download Center

    • → Newsletter

    Wissen & Aktuelles

    • → Innovation News

    • → Ratgeber

    • → Conrad Blog

    • → Aktuelles

    • → Kataloge


  • Angebote

    Sparen & Angebote

    • → Aktionen

    • → SALE %

    • → Outlet

    Clever Einkaufen

    • → Haushaltsbedarf

    • → Refurbished

    • → Alle Gutscheine


    Marken im Fokus

    Logo zu TOOLCRAFT
    Logo zu Albrecht
    Logo zu Einhell
    Logo zu Bosch Home and Garden
    Logo zu dyson
    Logo zu Samsung

  • Unsere Produkte
  • Mein Konto
  • Merkliste
  • Abmelden
Conrad
Start
Gebäudetechnik & Smart Living Elektroinstallation Verteilerschrank-Technik Überspannungsschutz

Phoenix Contact 2906753 TTC-6P-2X1-M-24DC-PT-I Überspannungsschutz-Ableiter 1 St.

EAN:
Hst.-Teile-Nr.:
Bestell-Nr.:
Elektrisches Bauteil für Schaltschrankmontage mit Aufdruck und Steckerleisten. Geeignet zur Spannungsverteilung oder Signalverarbeitung.
Elektrisches Bauteil für Schaltschrankmontage mit Aufdruck und Steckerleisten. Geeignet zur Spannungsverteilung oder Signalverarbeitung.
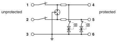
Schaltplan eines Überspannungsschutzes zwischen ungeschützten (1-3) und geschützten Leitungen (4-6) mit Transistoren und Dioden.
1/2
Phoenix Contact
 

11 Stück
Verkauf und Versand:
Conrad Electronic Widerruf

Anzahl

Gesamt
€ 141,66
-38 %
€
Sie haben bereits das beste Angebot für Ihre Menge.
Rechtliche Bedenken melden
  • Kostenlose Lieferung ab € 69.–

  • Über 1,5 Millionen Produkte

  • Über 6.000 Marken

  • Newsletter abonnieren

Services

Services

  • Angebotsservice

  • SourcingPlus

  • Garantie und Reparatur

  • Geschenkkarte

  • Project Business

  • E-Procurement

  • ProcurePlus

  • Alle Services


Über Conrad

Über Conrad

  • Unternehmen

  • Conrad Marken

  • Pressemitteilungen

  • Qualität

  • Nachhaltigkeit

  • Rechtliches

  • Vulnerability Disclosure Program

  • Karriere


Conrad erleben

Conrad erleben

  • Innovation News

  • Kataloge

  • Branchenlösungen

  • Ratgeber

  • Blog

  • Markenshop


Für Bildungseinrichtungen

Für Bildungseinrichtungen

  • Alles für Ihre Bildungseinrichtung


Aktuelle Angebote

Aktuelle Angebote

  • ★ Zur Übersicht

  • 🎁 Geschenkideen

  • % Technik-SALE

  • % Conrad Outlet

  • % Alle Conrad Gutscheine

  • Monatsempfehlungen


Hilfe

Hilfe

  • FAQ-Hilfecenter

  • Kontakformular


Newsletter abonnieren

Zum Newsletter anmelden und Gutschein sichern! (Diese Einwilligung kann jederzeit widerrufen werden.)

Zum Newsletter anmelden und immer up-to-date bleiben! (Diese Einwilligung kann jederzeit widerrufen werden.)

Bitte geben Sie eine gültige E-Mail-Adresse ein!

Zahlarten
  • Zahlungsart Rechnung
  • Zahlungsart PayPal
  • Zahlungsart Kreditkarte
  • Zahlungsart Bankeinzug
Alle Zahlarten
Social Media
Kontakt

FAQ - Hilfeseiten

Tel.: 050 20 40 40

Mo. - Do.: 08:00 - 17:00 Uhr
Fr.: 08:00 - 14:00 Uhr
(außer an gesetzlichen Feiertagen)

Kontakt

FAQ - Hilfeseiten
Kontaktformular

*Alle Preisangaben sind exkl. MwSt. und zzgl. Versandkosten.

*Alle Preisangaben sind inkl. MwSt. und zzgl. Versandkosten.

     

  • Datenschutz

  • Sichere Zahlungsmittel

  • SSL-Verschlüsselung

  • Verified by Visa & Mastercard Secure Code

  • Goldfarbenes Gütesiegel mit der Aufschrift „Trustmark Austria“ und dem Logo des Handelsverbands.
  • Sieben Qualitäts- und Vertrauenssiegel für E-Commerce und Handel, darunter österreichische und europäische Zertifikate.
  • Grünes Logo in Briefmarkenform mit Blatt und Posthorn, Text „CO₂ neutral zugestellt – CO₂-frei bis 2030“, symbolisiert klimafreundliche Postzustellung.
  • AGB

  • Impressum

  • Datenschutz

  • Widerruf

Produktvergleich
Merkliste